SCADA-система ОВЕН Телемеханика ЛАЙТ – полноценный инструмент для проведения полного цикла работ по настройке сбора данных и управлению, заданию алгоритмов обработки, формированию сигналов тревог, настройке баз данных истории, формированию технологических и оперативных схем отображения информации. При этом не требуются знания и квалификация программиста, все работы могут быть проведены специалистом уровня инженера АСУ. Для разработки пользовательского интерфейса имеется большая библиотека готовых тематических объектов по отображению оперативной и исторической информации – электрические аппараты, тренды телеизмерений, а также объектов общего характера (изображения, фигуры, графики, кнопки и пр.), что позволяет в кратчайшие сроки и с минимальными затратами решать задачи автоматизации распределенных и локальных объектов. Благодаря уникальным технологиям построения система легко масштабируется до проектов с количеством объектов автоматизации, исчисляемых сотнями. Встроенной SoftLogic-системой Enlogic для настройки работы обладает ОВЕН ПЛК323-ТЛ.
Отличительные особенности
- Поддержка протоколов Modbus RTU/ASCII, Modbus TCP/IP.
- Поддержка протоколов передачи МЭК DNP3, МЭК-60870-5-101/103/104.
- Встроенные библиотеки по опросу приборов ОВЕН и широкого круга приборов сторонних производителей.
- Гибкая настройка протоколов обмена, большое число уже разработанных профилей обмена для блоков РЗА, измерительных преобразователей, контроллеров ячеек, модулей ввода-вывода.
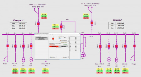
- Специализированные объекты визуализации, значительно упрощающие процесс создания мнемосхем объектов.
- Встроенный инструментарий для организации АСКУЭ.
Преимущества
- Для большинства задач не требуется использование ОPC-сервера.
- Ведение информационных баз данных договоров, объектов, оборудования и выполняемых работ.
- Создание отчетных/диспетчерских форм.
- Встроенные алгоритмы контроля, анализа и оптимизации распределения электроэнергии, контроль параметров электрического тока.
- Коммуникационный сервер для входящих TCP-соединений, механизм разграничения прав пользователей для обеспечения защиты функций редактирования и управления.
- Клиент-серверная архитектура, возможность организации систем с выделенными серверами сбора и БД.
- Возможность использования серверов БД MS SQL, Firebird.
Для создания и настройки проектов доступно 2 часа непрерывной работы без ограничения количества сигналов.
Лицензирование компонентов программного комплекса ОВЕН Телемеханика ЛАЙТ осуществляется индивидуально для каждого сервера и рабочего места с помощью аппаратного ключа защиты для порта USB.
Ключ включается в заказ для каждого сервера.
Бесплатное обновление программного обеспечения Телемеханика ЛАЙТ доступно в течение одного календарного года с даты приобретения лицензии. Для обновления на более поздние версии необходимо обновить лицензию, стоимость обновления составляет 25 % стоимости от актуальной лицензии.
